Logo y número de parte orignal
El círculo grande es donde termina la columna de dirección que tiene el piñón, al lado el tornillo de ajuste con la cremallera y la contratuerca de fijación.
Aca se inserta la columna de dirección y con un seguro especial se traba para que no se levante.
Al fondo y al inicio del cilindro se observa el brillo de los bujes de bronce donde apoya la columna de dirección
Traba de la columna de direccion y aro de acero para fijarla en su lugar
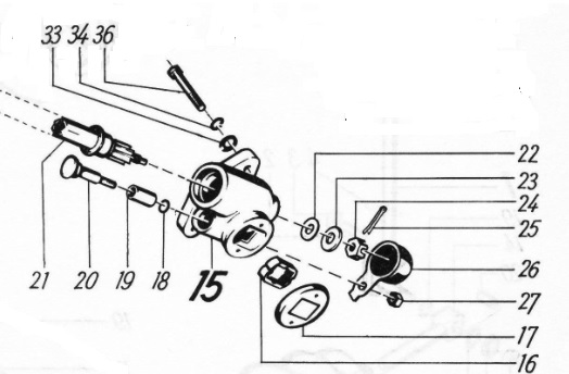
Diagrama de caja de dirección de Prinz 1-2
La principal diferencia es la manera que la columna de dirección se fija para que quede en su posición. Caja de Prinz 3.
Caja de origen nacional, no trae logo ni número de parte. También tiene dos bujes de bronce, en este caso se quito el buje superior para reemplazarlo debido al desgaste. El aro superior no tiene trabas para el seguro.
El círculo grande es por donde asuma la punta de la columna de dirección que es rosacada y se fija con tuerca y arandela protegida por un capuchon de la suciedad y el agua. El agujero pequeño es para el tronillo del regulador de la cremallera
Detalle del perno de ajuste del juego entre el piñon y la cremallera, tiene un buje de bronces con un excéntrico
Diagrama caja de diirección de Prinz 3
Otra diferencia es el buje o guía de goma de la cremallera identificado con el número 2 y 16 en los diagramas, en el caso del Prinz 3 es mas largo para darle mayor superficie de apoyo y duración. Del lado de la tapa del otro lado del tubo de la caja de dirección el buje es de 8mm para ambos modelos.
A tener en cuenta cuando se restaura. Gracias Hugo por las fotos y la data.























